Site Map
COMPANY
About company
History
Location
MARKET
PRODUCTS
FITTING
VALVES
CUSTOMER CENTER
Notice
Contact
D-LOK
TUBE FITTINGS
INSTRUMENT
THARED FITTINGS
Inch Size
Metric Size
Union
Male Thread
Female Thread
Adaptor
Socket and Butt Weld Fitting
“O”Seal (Straight Thread)
Plug and Cap
Spare Part
Information
Socket and Butt Weld Fitting
DLCB
DLEB
DLCW
DLEW
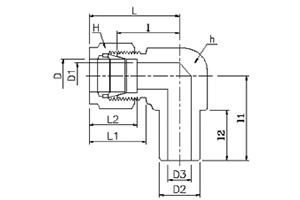
Elbow, Butt Weld
DLEB
Add.
100-58, Gwahaksandan-2ro,19, Gengseo-gu, Busan, Korea
Tel.
+82-51-941-2350
Fax.
+82.51.980.2356
E-mail
dlok@d-lok.com
copyligh ⓒd-lok corporation. all rights reserved.
Notice
·
Location
+82.51.941.2350